新型轴带发电机系统

20230717
  • GOF_4523
  • GOF_4523

新型轴带发电机系统

新型轴带发电机系统采用创新的动态稳定技术,能够在船舶轴系持续振动、摆动和扭动的严苛工况下,有效预防设备抱死,保持内部运行间隙稳定,显著提升发电效率,为船舶动力系统提供更可靠的保障。

-新型轴带发电机系统
立即询价
  • 系统组成及工作原理
  • 产品参数
  • 在线询价

系统介绍


轴带发电机(Shaft Generator)是一种安装于船舶主推进轴系,通过主机轴功驱动发电机组的电力设备。它充分利用船舶主机航行过程中的富余动力,替代或部分替代传统辅机发电,为船舶供电。相比常规辅助发电机,轴带发电机在船舶航行状态下无需额外燃油消耗,显著降低燃油成本和温室气体排放,有效助力船东应对IMO碳强度指标(CII)、能效指数(EEDI/EEXI)等环保法规要求。凭借稳定的电力输出和优异的节能减排效果,轴带发电机已成为新造船和改装项目中备受青睐的绿色动力解决方案。


GOF_4523

新型轴带发电机系统采用创新的动态稳定技术,能够在船舶轴系持续振动、摆动和扭动的严苛工况下,有效预防设备抱死,保持内部运行间隙稳定,显著提升发电效率,为船舶动力系统提供更可靠的保障。




核心部件


轴带发电机系统主要由发电机、变频器、变压器、控制系统等核心设备组成。



发电机通过主轴动力驱动,产生交流电能;


变频器对发电机输出的电能进行稳定调节,实现不同工况下的最佳电能质量管理;


变压器根据船舶电网需求进行电压转换,确保电力系统安全高效运行;


控制系统则负责实时监测与智能管理各单元设备的运行状态,保障系统联动稳定、故障可控。


各部件紧密协同,构成一套高效、节能、可靠的船舶电力解决方案。




系统优势


· 动态稳定防抱死技术


传统发电机通常采用鼠笼式结构,其转子与螺旋桨轴刚性连接,而定子及壳体则与船体固定。该结构对径向配合精度要求极高,无法容忍螺旋桨轴出现任何振动、摆动或扭动。然而在实际航行中,尤其是老旧船舶,螺旋桨轴因长期运行往往存在一定松动,不可避免地产生多种复杂运动。这容易导致鼠笼结构内部的转子与定子发生摩擦甚至接触,进而引发设备抱死,致使船舶发动机停转。若此类故障发生在远洋海域,船舶将面临失去动力的巨大风险,可能造成难以估量的严重后果。



海德威新型轴带发电机采用创新的动态稳定技术,能够在船舶轴系持续振动、摆动和扭动的严苛工况下,始终保持内部运行间隙的稳定。这一设计不仅有效预防了设备抱死现象,更带来了发电效率高、能量转化能力强、故障率低及环境适应性优异等显著优势,为船舶动力系统提供了更可靠、更安心的保障。


· 最小化轴系影响


针对传统轴带发电机对轴系运行不利影响的问题,海德威轴带发电机系统通过结构轻量化、转子优化设计及先进控制策略,最大限度降低对轴系的干扰,全面降低轴系发电机系统对船舶运营安全的影响。


轴系稳定性——本产品采用低转动惯量设计,有效减小轴系扭转振动固有频率变化,降低共振险,保障主机在全航速区间内轴系振动稳定,提升整船运行可靠性。


启动/制动——优化的发电机转动惯量设计,降低启停过程中的扭矩冲击,减少主机启动负荷与制动惯性,提升船舶机动性与操作安全性,延长轴系及推进系统使用寿命。


支撑部件——小转动惯量发电机运行时对轴承、密封装置等支撑部件施加的径向力与轴向力显著减小,降低长期磨损,延长维护周期,保障轴系长期对中精度及可靠性。



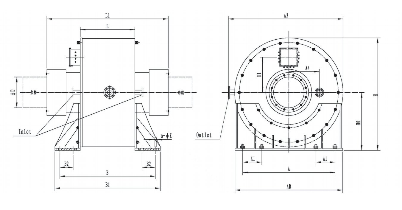
产品参数

轴带发电机系统适用于各类型新造船与营运船,尤其在12-14节高负载稳定航行状态下性能最佳。海德威轴带发电机系统支持中低速双冲程船舶主机,并可通过前端或隧道齿轮连接主轴,实现PTO发电功能,减少对船体或轴线改装,适配性强。



在高效工况下(主机负荷约SMCR的10-20%),轴带发电机可回收主机富余轴功,为船舶电网提供稳定电力,减少辅助机组运行时间,从而显著降低整体燃油消耗与碳排放。



海德威轴带发电机系统适用包括不同吨位的散货船、油船、集装箱船等大型新造、营运船舶。在主机稳定运行期间,通过PTO高效供电,减少辅机负荷。





改装周期



海德威可提供包括轴发电机、变压器、整流变频器、循环冷却器系统在内的一站式轴带发电机解决方案。凭借强大的技术支持团队,海德威可在全球30余个港口提供轴带发电机技术服务。






与智慧船舶系统整合



接入智慧船舶系统后,轴带发电机将成为高效、可靠且可持续的能源中枢。系统通过实时采集、分析发电机运行数据,实现对发电效率、负载分配和燃油消耗的精确可视化与智能优化,显著提升航程经济性。



结合智能启停与负载预测策略,确保发电与推进系统协调运行,提升能效比,延长设备寿命。通过智慧机舱中远程诊断与预警功能,在故障萌芽阶段触发维护建议,提高船舶运营可用性。


面对日益严格的环保要求,轴带发电机与智慧船舶系统的有机结合可以有效降低碳排放及污染物排放,助力船舶满足监管规定与可持续发展目标,带来更低的总拥有成本、更高的运营可靠性与更强的环境竞争力。

注册订阅我们的资讯邮件